
- Capete de acoperire: 2 buc servomoto de conducere
- Tensiune: 220V, 50/60HZ;
- Putere: 3.0Kw
- Presiunea aerului: 0,5–0,7Mpa
- Amperi: 8,5 A
- Viteză: 40-45/min (personalizat în funcție de formele și dimensiunile borcanelor)
- Diametru potrivit produsului: capace φ28-φ125mm (personalizat non-standard)
- Rata de trecere a glandei: ≥99,5% (în funcție de eroarea capacului și a sticlei)
- Dimensiunea mașinii: 3300*1150mm*1908mm
- Greutate: 450 kg
Înainte de a porni alimentarea mașinii. Vă rugăm să citiți cu atenție acest manual pentru probleme de siguranță și pentru utilizarea corectă a mașinii. Pentru a evita accidentele de personal și pentru a reduce frecvența deteriorării mașinii.
În cazul produselor corozive, aveți grijă să evitați ca obiectele corozive să atingă sau să stropească mașina în sine și personalul.
- Evitați utilizarea mașinii în locuri supuse vibrațiilor sau coliziunii.
- Când mașina funcționează, corpul personalului nu poate atinge părțile în mișcare.
- Aparatul trebuie evitat în locuri excesiv de umede. Și introduceți-l în sursa de alimentare, firul de împământare împământat corect, pentru a evita un accident de siguranță.
- Operatorul trebuie să mențină o stare fizică și psihică normală. Dacă luați alcool, somnifere sau alte medicamente care dăunează stării dumneavoastră mentale, opriți utilizarea mașinii.
- Operatorul trebuie să poarte îmbrăcăminte adecvată pentru a evita rănirea cauzată de implicarea îmbrăcămintei în părțile de rulare și nu trebuie să plaseze obiecte străine pe mașină.
- Dacă apar zgomot sau alte anomalii în timpul utilizării, opriți imediat și verificați. Tehnicieni non-inginerești, vă rugăm să nu transferați în mod arbitrar piesele mașinii.
- Întreținere și îngrijire regulată (o dată/săptămânală), evitând stropirea cu apă sau orice lichid și cutiile de control electronice sau alte componente electrice atunci când curățați mașina.
- Vă rugăm să operați conform procedurilor normale de operare și să mențineți suprafața mașinii curată și ordonată.
Mașina de capsare este aplicată la toate tipurile de produse cosmetice, medicamente, medicină veterinară, pesticide, ulei lubrifiant și alte domenii industriale în procesul de ambalare.





Principiul și caracteristicile mașinii de acoperire a borcanelor:
- Control electric automat, este stabil;
- Cu dispozitiv de poziționare a capacului, capac blocat standard, operațiunea este convenabilă;
- Blocare acoperi o gamă largă, poate roti diferite forme specificații de capac;
- Viteza de limitare, închisoarea rotației, poate simultan, de asemenea, în funcție de necesitatea de a regla etanșeitatea rebobinarii.


Parametrii de bază ai mașinii de acoperire a borcanelor cosmetice:

1. Capete de acoperire: 2 buc servo-moto de conducere
2. Tensiune: 220V, 50/60HZ;
3. Putere: 3.0Kw
4. Presiunea aerului: 0,5--0,7Mpa
5. Amperi: 8,5 A
6. Viteză: 40-45/min (personalizat în funcție de formele și dimensiunile borcanelor)
7. Diametru potrivit produsului: capace φ28-φ125mm (personalizate non-standard)
8. Rata de trecere a glandei: ≥99,5% (în funcție de eroarea capacului și a sticlei)
9. Dimensiunea mașinii: 3300*1150mm*1908mm
10. Greutate:450kg
Descrierea părții gazdă


Comutator de alimentare: controlează alimentarea cu energie pornit---oprit.
Indicator de alimentare: pornire-lumină verde aprinsă, oprire---lumină verde stinsă.
Oprire de urgență: Folosit pentru a opri imediat mașina sau pentru a reseta funcția în caz de urgență sau defecțiune.
1. Porniți fotoelectricul: Mașina este în funcțiune, când detectia fotoelectrică detectează că există o sticlă și are un capac, Plata turnantă poate începe să funcționeze. Dacă unul dintre cele două fotoelectrice nu este detectat, placa turnantă nu se rotește.
2. Origine fotoelectrică: Este folosit pentru a controla motorul pas cu pas pentru a conduce poziționarea plăcii rotative, astfel încât sticla să poată fi introdusă fără probleme în capac.
3. Cap fotoelectricitate: Verificați dacă capacul este la locul său și detectați fotoelectric că există o plată turnantă pentru capac care să se rotească.
4. Acoperire fotoelectricitate: Controlând pornirea și oprirea mașinii de acoperire superioară, atunci când capacul furnizat de mașina de acoperire superioară este sortat în poziția detectată de fotoelectric, fotoelectricitatea este întotdeauna strălucitoare, mașina de acoperire se oprește pentru capac și capacul inteligent este implementat .
5. Fotoelectricitate capac blocare: Când sticla cu capac trece, este detectată detecția fotoelectrică, iar capacul de blocare este acționat în funcție de timpul de întârziere setat (parametrii specifici sunt ajustați în funcție de viteza benzii transportoare atunci când mașina este reglată).
6. Sistem de capac de blocare: Sticla cu capac este aceeași, întârzierea pornirii fotoelectrice, întârziere la sticla de clemă a cilindrului, capacul de blocare este coborât, capacul de prindere - capacul cu șurub - eliberarea gripperului - capacul de blocare se ridică - sticla de clemă este slăbită, iar procesul de blocare este finalizat. În capacul de blocare, când capacul de blocare 1# este în capacul de blocare, intră o altă sticlă. În acest moment, cilindrul sticlei cu clemă 2# se mișcă, iar capacul de blocare 2# este activat pentru a bloca capacul. (Când capacul care a fost blocat de capul de blocare 2# trece de sticla cu clemă 1#, nu repetați capacul de blocare.

Descrierea interfeței om-mașină

Pagina de pornire
3.1 Pagina de pornire are selecția operațiunii în limba engleză, chineză, dacă alegeți butonul chineză, introduceți următoarea interfață:

A doua interfață
Stop: Comutatorul de pornire al întregii mașini, atingeți această tastă, mașina rulează în modul automat, atingeți din nou această tastă, mașina se oprește.
Poarta de testare: Testați funcționarea mașinii.
Viteza platoului turnant: Cu cât parametrul de viteză este mai mare, cu atât viteza este mai mare, cu atât parametrul de viteză este mai lent.(Dar există o limită maximă.)。
Întârzierea plăcii rotative: Setările timpului de pornire a platoului turnanți, în conformitate cu efectul neted de rulare a plăcilor rotative de setat.
Întârziere de plafonare: După placa turnantă la stația desemnată, amânați timpul de așteptare, capacul de acțiune al cilindrului.
Timp de limitare: Timpul necesar pentru etanșarea cilindrului.
Ieșire: Completați înregistrarea numărului de capac de blocare, număr convenabil de producție. Apăsați-tasta-resetare pentru a șterge.
X1. X3. X14: Verificați dacă fotoelectricul este în starea de funcționare a reflexiei, ușor de văzut funcționarea stării mașinii,
Parametru de plafonare: Apăsați această tastă și intrați în următoarea interfață:

Interfața este o pagină de parametri care trebuie setată pentru fiecare acțiune a capului de blocare 1 # în sistemul de acoperire a blocării servo, setarea rezonabilă a parametrilor este benefică pentru stabilitatea mașinii și îmbunătățirea eficienței.
Reveni: Apăsați acest buton pentru a reveni la a doua interfață.
I/O: Apăsați acest buton pentru a intra în următoarea interfață:

Puncte din seria X: Este punctul de intrare pentru a detecta dacă fotoelectricul este în stare de funcționare, ușor de văzut funcționarea mașinii, întreținere ușoară.
Puncte din seria Y: Este punctul de ieșire al componentelor executive din starea normală de feedback, poate apăsa, de asemenea, manual tasta de control pentru a testa dacă componentele de execuție sunt normale.
Sistem de alimentare cu capac: Poate fi stabil și ordonat conform direcției prescrise de acoperit.
Reglarea înclinării: unghi rezonabil poate fi ajustat pentru a controla capacul invers nu se urcă în tobogan.
Reglarea convertizorului de frecventa: controlați viteza capacului.


Întreținerea echipamentului de acoperire a borcanelor:
1. Mențineți mașina în starea oprită și oprită cu gaz pentru a asigura siguranța. Păstrați mașina curată și ordonată, fără articole diverse pe mașină, fără articole mici, accesorii, șuruburi etc.
2. Și uleiul de lubrifiere este adăugat în mod regulat pe mecanismul piesei mobile pentru a asigura o stare bună de funcționare a mecanismului.
3. Eliberați apa din filtrul de aer în mod regulat și adăugați ulei lubrifiant pentru a asigura utilizarea corectă a cilindrului și pentru a prelungi durata de viață.
4. Verificați și reparați mașina în mod regulat. Judecați starea de funcționare a echipamentului prin vedere și ureche pentru a vă asigura că mașina funcționează bine.
Nota: Vă rugăm să utilizați și să întrețineți în strictă conformitate cu instrucțiunile, perioada de garanție este strict interzisă pentru a deschide și dezasambla, în caz contrar, daunele cauzate de aceasta ca daune umane, nici o reparație gratuită. Această instrucțiune poate fi schimbată fără notificare; dacă există încă o incertitudine cu privire la funcționarea acestei mașini, vă rugăm să ne sunați în orice moment pentru întrebări
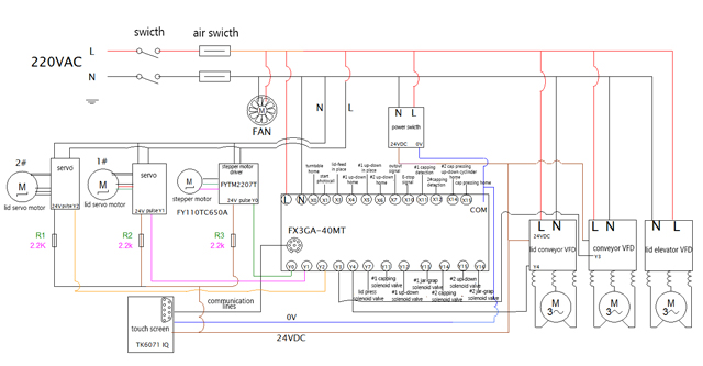
Schema electrica atasata:

Capacele sigilate terminate prelevează mașina de acoperire a borcanelor:





Marcaje: pentru că borcanele pătrate negre din cauza capacelor sunt susceptibile de a fi zgâriate, este proiectat cu un sistem de ridicare pentru a scoate capacele borcanelor din tăvi și a le pune în stația de acoperire gata pentru procesul de închidere a capacului. Principiul de lucru detaliat este ilustrat după cum urmează: Procesul de lucru:
1. Introducerea manuală a capacelor în tavă (15*15 sau 10*10)

2. Introducerea tăvilor în stația de ridicare gata
3. Roboții care ridică borcanele

4. Poziționarea sticlelor și finisarea procesului de închidere
5. Ieșire borcane cu capac











