
- Viteza de acoperire: 15-30 bucăți/min
- Tensiune nominală: 110V/60Hz (Standard SUA)
- Puterea mașinii: 0,8 kW
- Amperi: 2,2 A
- Dimensiune exterioara: 2230*1460*1600 MM(L*W*H)
- Presiunea aerului: 0,7 MPa
- Greutate: aproximativ 300 KG
Notificare înainte de a porni mașina de acoperire a sticlelor
1: Înainte ca mașina să fie conectată, asigurați-vă că întrerupătorul de alimentare este în starea închisă, apoi urmați instrucțiunile.
2: Dacă mașina nu funcționează mult timp, trebuie șters cu o bucată de cârpă uscată și nu trebuie curățată cu niciun agent de curățare coroziv.
3: Este strict interzis să aruncați orice lichid în cutia electrică a mașinii, pentru a evita coroziunea componentelor electrice interne și a provoca scurtcircuit.
4: Verificați conform listei de ambalare a echipamentelor, modelele, specificațiile și cantitatea echipamentelor și materialelor pentru a vă asigura că acestea îndeplinesc cerințele standardelor de proiectare și de produs și însoțite de certificate de conformitate.
5: Verificați aspectul echipamentului pentru a vă asigura că este lipsit de orice deformare, deteriorare și coroziune și că toate arborele ar trebui să se rotească în mod flexibil, fără blocare.
6: Această mașină funcționează la 110V AC monofazat, iar ștecherul plat cu 3 picioare trebuie conectat la priza cu un fir de împământare.
Parametrii tehnici

- Viteza de acoperire: 15-30 bucăți/min
- Tensiune nominală: 110V/60Hz (Standard SUA)
- Puterea mașinii: 0,8 kW
- Amperi: 2,2 A
- Dimensiune exterioara: 2230*1460*1600 MM(L*W*H)
- Presiunea aerului: 0,7 MPa
- Greutate: aproximativ 300 KG
Masina de acoperire in detalii:



Structuri ale mașinii

Fibră optică Electric Eye Descriere
Ochi electric pentru detectarea sticlelor:

Când este operat în modul automat, scopul acestui ochi electric este de a detecta sticlele care intră.
Când sticla de intrare este detectată, „placa turnantă” se rotește.
Ochi electric de livrare a capacului

Când este operat în modul automat, scopul acestui ochi electric este de a detecta capacele de intrare.
Când capacul de intrare este detectat, „mecanismul de scoatere” se ridică pentru preluarea materialului.
Ochi electric de livrare a capacului

Când este operat în modul automat: Scopul acestui ochi electric este de a detecta sticlele care intră.
Când sticla de intrare este detectată, „mecanismul capacului de blocare” rotește capacul de blocare în jos.
Buton de comutare și portul de cablare
Ecran tactil și oprire de urgență

Motorul de alimentare și controlerul plăcii de vibrații ale capacului

Controler plăci de vibrații

Controlerul plăcii de vibrații: prin reglarea tensiunii, reglați viteza de descărcare.
Întrerupător și prize

Controler motor

Transformator de frecvență: prin reglarea butonului transformatorului de frecvență, reglați viteza motorului.
Metoda de alarmă și depanare:
1. A fost apăsat oprirea de urgență. Apăsați opritoarele de urgență de pe capacul mașinii și lângă ecranul tactil.
2. Ieșirea atinge valoarea setată. Setați ieșirea, apăsați butonul de ștergere pentru a șterge ieșirea curentă.
3. Când capacele nu sunt detectate pentru o perioadă lungă de timp, vă rugăm să verificați. Verificați fibra de inducție a capacului sticlei dacă este bine furnizată. Verificați dacă capacele sunt puse sau nu.
4. Când sticlele nu sunt detectate pentru o perioadă lungă de timp, vă rugăm să verificați. Verificați dacă sticlele sunt la locul lor.
Reglarea electrică a ochilor:
Structura amplificatorului

Diagrama pentru fibra optică:

1. Bară de blocare cu fibră optică
2. Indicator de stare de funcționare
3. Setați
4. Indicator luminos DSC
5. Monitor digital
6. Buton manual
7. Capac de protecție extins
8. Conector de expansiune
9. Comutator selector de putere
10. Butonul de mod
11. Selector de ieșire
12. Cabluri
13. Protector de praf
14. Valoarea setată (în verde)
15. Valoarea curentă (în roșu)
Proces de lucru pentru setarea fibrei optice
- Când ochiul electric cade în gol, valoarea curentului roșu este 144.
- Când ochiul electric cade pe etichetă, valoarea curentului roșu este 4.
- Reglați valoarea setată”, aproximativ 1/2 din valoarea pe care ochiul electric se află pe hârtie de corp (în spațiul dintre obiectele de detectat) și valoarea pe care ochiul electric este pe hârtie valoarea setată este (144 4)/2=74, reglați butonul manual pentru a regla valoarea setată la 74.
- Mutați decalajul etichetei înainte și înapoi în locația ochiului electric și „lumina de semnalizare/lumina indicatoare” roșie.
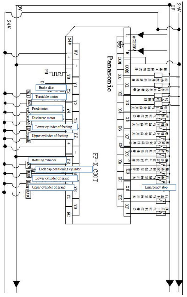
Schema circuitului



Mașină de acoperire a sticlelor de întreținere

1. Este necesar să se verifice și să întrețină mașina pentru a alungi mașina și pentru a optimiza funcționarea mașinii;
- Mașina de lucru trebuie întreținută la fiecare trei luni;
- Lagărul și partea transmisiei angrenajului trebuie lubrifiate cu unsoare;
- Ungerea trebuie facuta periodic;
- Uleiul de glisare (N68) ar trebui adăugat în piesă, ca mișcarea mecanismului alternativ sau ridicarea de două ori pe zi;
- Uleiul de automobile (N68) trebuie adăugat în piesele rotative sau oscilante;
- La fiecare jumătate de lună adăugați unsoarea în fanta camei;
- În fiecare lună, o dată pentru duza de ulei prin adăugarea de grăsime;
2. Nu folosiți niciodată unelte metalice pentru a lovi sau a răzui suprafața în care lipirea este conglomerată pe părți precum componente sau matriță.
3. Dacă mașina se oprește pentru o lungă perioadă de timp, adăugați unsoare pentru lubrifiere în părți precum transmisia sau piesa rulmentului; De asemenea, tratați mașina cu protecție rezistentă la apă。
4. Nu așezați niciodată obiecte pe mașină, pentru a nu deteriora mașina.
5. Curățați praful din interiorul componentelor, verificați periodic și toate șuruburile și fixați orice șurub slăbit.
6. Verificați șuruburile de la terminale pentru cablare la un anumit moment și asigurați-vă că șurubul este fixat;
7. Verificați dacă există vreo stație slăbită pe traseul cablajului întins de la cutiile electrice; Dacă piesa este prea slăbită, refixați șurubul pentru a evita abraziunea sau deteriorarea stratului de izolație care poate provoca scurgerea electrică.
8. Verificați mânerele ușor de purtat și schimbați-l pe cel deteriorat la timp;









