
- Mașină de spălat sticle de sticlă VK-BR
- Mașină de umplere cu ulei VK-PF 4 capete
- Mașină de acoperire cu vid VK-VC
- Mașină de etichetat sticle rotunde VK-RPL
Linia de umplere complet automată poate fi personalizată în funcție de cerințele clientului și de mostrele oferite de cumpărător. Mai jos sunt enumerate informațiile de bază pentru această linie de umplere complet automată pentru industria alimentară:
Sticle Sticla Aer Spălat Machien Vacuum Spalator Echipament
Este o mașină de spălat sticle automată pe calea aerului. capacitatea depinde de duzele de spălare cu aer.
Compresorul de aer transportă aerul în interiorul recipientului de vid, gazul prin supapa solenoidală și generatorul de ioni a fost purificat, șamponul cu gaz traheal sufla gazul în sticle prin gura de spălare cu gaz, suflă străinul din gura de spălare cu gaz prin presiunea gazului, înapoi gazele reziduale epuizate traheale spre exterior prin controlul emisiilor.

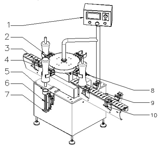
| 1 | Panou de control | 2 | Sticle |
| 3 | Cureaua pentru biberoane | 4 | Senzor pentru alimentare cu biberoane |
| 5 | sticle-structură de fixare | 6 | Inject de clătire |
| 7 | Tuyere electrostatic | 8 | Punct de fixare sticle |
| 9 | Cureaua pentru iesirea sticlelor | 10 | Bara de ghidare |
Parametrul de bază al mașinii de spălat cu aer rotativ automată pentru sticle de sticlă:

Model: VK-BR
Potrivit pentru sticla: 20-1000ml
Capacitate de producție: 8 duze de curățare: 3600~4800bph
Interval de presiune a aerului: 6~8kg/cm2
Consum de aer: 25m3/h
Alimentare: 220V 50/60Hz
Consum de energie: 0,75Kw
Zgomotul unei singure mașini: ≤70dB
Aer purificat: 0,2μm
Timp de curățare: 3~5s
Greutate neta: 350 kg
Dimensiune totală: 1200 x 800 x 1600 mm
Mașină de umplere cu ulei 4 capete Umplere liniară

Mașina de umplere a măslinelor cu 4 capete, controlată de microcomputer, combină fotoelectricitatea cu funcționarea pneumatică, astfel încât este aplicată pe scară largă pentru umplerea cu lichid a substanțelor chimice agricole, soluții, detergent lichid, cosmetice precum și măsline.
Volumul de umplere este precis, fără spumă și stabil. Mașina poate umple lichidul cu intervalul de la 25-1000 ml, între timp nu există o cerință specială privind formele sticlelor. Adică, poate umple lichidul pentru sticlele normale, precum și pentru sticlele în formă de irrugula.

Model: VK-PF
Interval de umplere: 50~3000ml
Viteza de umplere: <20-30b/m (pentru 500-1000ml lichid)
Precizie: ±1%
Putere/alimentare: 0,8kw、220v
Presiune de lucru: 5~6kg/cm3
Consum de aer: 0,5-0,7mpa
NW: 500 kg
Dimensiune exterioara: 2000×800×1900mm
Marca: Duzele de umplere pot fi proiectate și fabricate în funcție de cerințele clienților privind intervalul de umplere și viteza de umplere
Mașină liniară de acoperire cu vid Vk-Vc Echipament de capsare a borcanelor:
Această mașină de acoperire liniară este cercetată și dezvoltată de compania noastră cu ani de experiență, este unică în domeniul intern. Aranjare automată integrată a capacului cu acoperire, acoperire cu vid.
Pompă de vid manuală adoptată pentru a obține un vid înalt. Cu funcțiile fără sticlă fără acoperire, alarmant când nu sunt disponibile capace. Sa bucurat de automatizare ridicată. Principalele piese pneumatice și electrice sunt de la mărci de renume mondial.
Cu performanță stabilă și fiabilă. Este utilizat pe scară largă pentru acoperirea cu vid a borcanelor de sticlă cu capace de fier în industriile conservelor, băuturilor, condimentelor, produselor de îngrijire a sănătății etc.

Putere: ≤2.3KW (inclusiv pompa de vid)
Capacitate de producție: 50-60 BPM
Diametru capac: ¢30-¢55mm ¢50-¢85mm
Inaltime sticla: 80-250 mm
Diametru sticla: ¢30-¢85mm
Vide maxim: -0,08mpa
Torsiunea de acoperire: 5-20N.M
Consum de aer: 0.6M3/0.7Mpa
Dimensiuni mașină: Aproximativ 3000×1000×1900mm
Greutate: aproximativ 850 kg
Mașină de etichetat borcane pentru sticle rotunde Vk-Rpl

Aplicație: Necesită suprafața circumferențială a etichetei sau a produsului atașat la membrană.
Industrie: Folosit pe scară largă în industria alimentară, medicină, cosmetică, cosmetică, electronică, metal, materiale plastice și alte industrii.
Aplicație: Etichetarea sticlelor rotunde PET, etichetarea sticlelor de plastic, conservelor și așa mai departe.

Lungimea potrivită a etichetei (mm): 20mm ~ 314mm
Lățimea etichetei aplicabilă (lățimea hârtiei de suport / mm): 15 mm ~ 150 mm
Diametrul produselor aplicabile (pentru sticla rotundă) și înălțimea: diametru: φ25mm ~ φ100mm
Înălțime: 25 mm ~ 230 mm
Diametrul rolei standard aplicabil (mm): φ280mm
Diametrul rolei standard aplicabil (mm): φ76mm
Precizie de etichetare (mm): ± 1mm
Viteza standard (m/min): Servo: 5 ~ 25m/min Pasul: 5 ~ 19m/min
Viteza de etichetare (buc/min): Pasi: 30 ~ 80 buc/min (cu dimensiunea sticlei și a etichetei)
Servo: 40 ~ 120 buc/min
Viteza transportorului (m/min): 5 ~ 25m/min
Greutate (kg): Aproximativ 185 kg
Frecvență (HZ): 50HZ Tensiune (V): 220V
Putere (W): 530 W (pas de tracțiune) 980 W (servo de tracțiune)
Dimensiuni dispozitiv (mm) (L × L × H): 1950 mm × 1100 mm × 1300 mm


Ambalare cutie din lemn:

Serviciu post-vânzare pentru linia de umplere

Garantam calitatea pieselor principale in 12 luni. Dacă piesele principale merg prost fără factori artificiali în decurs de un an, le vom furniza gratuit sau le vom întreține pentru dvs. După un an, dacă trebuie să schimbați piese, vă vom oferi cu drag cel mai bun preț sau îl vom menține pe site-ul dvs. Ori de câte ori aveți întrebări tehnice în utilizarea acestuia, vom face tot posibilul pentru a vă sprijini.
Garantia calitatii:
Producătorul va garanta că bunurile sunt realizate din cele mai bune materiale ale Producătorului, cu manopera de primă clasă, nou-nouțe, nefolosite și corespund în toate privințele cu calitatea, specificațiile și performanța stipulate în prezentul contract. Perioada de garanție a calității este de 12 luni de la data B/L.
Producătorul ar repara gratuit mașinile contractate în perioada de garanție a calității.
Dacă defecțiunea se poate datora utilizării necorespunzătoare sau din alte motive de către Cumpărător, producătorul va colecta costul pieselor de reparație.
Instalare și depanare:
Vânzătorul își va trimite inginerii pentru a instrui instalarea și depanarea. Costul ar fi suportat din partea cumpărătorului (bilete de avion dus-întors, taxe de cazare în țara cumpărătorului). Cumpărătorul ar trebui să ofere asistență pe site pentru instalare și depanare.









